| Sign In | Join Free | My china-telecommunications.com |
|
Brand Name : NAVI OPTICS
Model Number : TDF42IMU-D
Place of Origin : China
MOQ : NAVI OPTICS
Payment Terms : L/C,T/T
Packaging Details : carton box
High Accuracy & Stability TDF42IMU-D Fiber Optic Inertial Unit Single & Dual-Axis Modulation
Fiber optic inertial units have the advantages of small size, light weight, low power consumption, and high accuracy. They can be used to design pure strapdown, single axis, and dual axis modulation inertial units, meeting the needs of new unmanned platforms, water/torpedo weapons, as well as land and airborne weapon platforms for small size and high-precision inertial unit equipment. They have dynamic measurement functions for carrier angular and linear motion information.
| Project | Content | Index | Remark |
| Performance indicators of gyroscope | |||
| Zero bias indicator
| Zero bias stability (100s) | 0.05°/h |
|
| Zero bias stability (10s) | 0.1°/h |
| |
| Variable temperature zero bias stability | 0.5°/h |
| |
| Scale Factor | Full temperature scale factor | ≤200ppm |
|
| Other indicators | Random walk coefficient | 0.01°/√h |
|
| Input range | 400°/s |
| |
| Performance indicators of accelerometer | |||
| Deviation index | Deviation monthly comprehensive error | 50μg |
|
| Zero bias indicator | Zero bias temperature sensitivity | 50μg/℃ |
|
| Scale Factor
| Scale factor monthly comprehensive error | 50ppm |
|
| Scale factor temperature sensitivity | 50ppm/℃ |
| |
| Range indicator | Input range | ±20g |
|
| Whole machine characteristics | |||
| Environmental performance indicators
| Operation temperature | -40℃~60℃ |
|
| Storage temperature | -45℃~70℃ |
| |
| General requirements | Power supply | 18~36V(DC) |
|
| Stable power consumption | ≤12W | Startup power consumption ≤ 25W | |
The external electrical interfaces of the inertial group equipment include power interface, RS422 communication interface, and 100Mbps Ethernet interface. The socket model for the external electrical interface is J30JM-15ZKP43, and the matching plug model is J30J-15TJL.
| Pin | Connectivity | Signal Name | Signal Characteristics |
| 1,2 | External power supply
| PCS power supply positive | 24V |
| 3,4 | PCS power supply ground | Power Ground | |
| 5 | 200Hz signal output
| IMU_TX1+ | IMU data output positive |
| 6 | IMU_TX1- | IMU data output negative | |
| 9 | Synchronization signal | IMU_RX1+ | IMU synchronization signal positive |
| 10 | IMU_RX1- | IMU synchronization signal negative |
a. RS422 serial port 1 outputs three channels of angle increment information, three channels of speed increment information, IO count information, temperature information, with a data frequency of 200Hz (raw observation values without interpolation are compensated for errors). The data protocol is shown in Appendix A, and the output data is not lost;
b. RS422 serial port 2 outputs a time synchronization signal at sampling time 1 (with a valid rising edge, representing the sampling time of the inertial sensor), RS422 differential signal, pulse width of 10 ± 2 μ s, sampling signal interval of 5ms ± 20 μ s, rising edge and falling edge level establishment time not exceeding 100ns, and sends serial port 1 data after 50 μ s of rising edge emission.
a. Baud rate: 460800bps;
b. Output format: RS422, 1-bit start bit, 1-bit stop bit, 8-bit data bit, no checksum;
c. Data frequency: 200Hz;
d. Communication Protocol: The communication protocol is detailed in the table below;
e. All undefined bits are filled with 0 by default. When transmitting multiple bytes, the low byte comes first and the high byte comes last.
| Byte Number | Meaning | Data Type | Length | Description |
| 1-4 | Packet header | unsigned int | 4 bytes | 0x55,0x55,0x55,0x55 |
| 5-8 | Packet Count | unsigned int | 4 bytes | IMU internal count value |
| 9-12 | X gyroscope data | Single precision floating point | 4 bytes | linear measure |
| 12-16 | Y gyroscope data | Single precision floating point | 4 bytes | linear measure |
| 16-20 | Z-gyroscope data | Single precision floating point | 4 bytes | linear measure |
| 21-24 | Add table data to X | Single precision floating point | 4 bytes | M/S |
| 25-28 | Y adds table data | Single precision floating point | 4 bytes | M/S |
| 29-32 | Z adds table data | Single precision floating point | 4 bytes | M/S |
| 33-34 | X adds temperature to the meter | unsigned int | 2 bytes | linear measure |
| 35 | IO1 pulse counting | unsigned int | 1 byte | - |
| 36 | IO2 pulse counting | unsigned int | 1 byte | - |
| 37 | Sign position | unsigned int | 1 byte | - |
| 38 | Checksum | unsigned int | 1 byte | Sum of 1-37 bytes |
| Note: X. The Y-axis and Z-axis gyroscope data are angle increments, measured in degrees. X. The data on the Y and Z axes is the speed increment, measured in meters per second. Temperature unit: degrees, positive=(D33+D34 * 256) * 0.01, negative=(D33+D34 * 256-65536) * 0.01. The definition of the flag is shown in Appendix 1 (b). | ||||

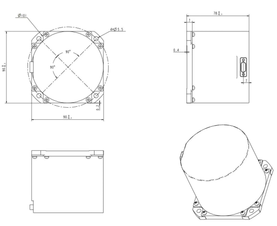
Dimensions: 90 × 90 × 78 with a tolerance of ± 1mm, excluding connectors
Weight: ≤ 900g
|
|
High Accuracy & Stability TDF42IMU-D Fiber Optic Inertial Unit Single & Dual-Axis Modulation Images |